ELECTRIC TRUCKS
Electric Tractor Unit
- The electric truck features a lightweight design with a newly developed load-bearing system, including a 7mm high-strength steel chassis, composite leaf spring front suspension, rear X-arm air suspension, and integrated cast crossbeams. With a large 528kWh battery, the curb weight is kept at just 11.3 tons.
- It uses a flexible under-mounted battery frame structure. The battery pack is flexibly connected to the chassis, effectively isolating stress from frame torsion and ensuring battery safety.
- The vehicle is equipped with a tri-motor electric drive axle system, delivering a maximum wheel-end torque of 45,000Nm. It also features a self-developed four-in-one controller and energy management controller to optimize efficiency and reduce power consumption.
- Powered by a Huawei ultra-fast charging battery, the truck supports 3C charging rates, enabling a rapid charge from 10% to 90% in just 30 minutes. This saves up to 2 hours of charging time daily and increases operational mileage by approximately 80 km, helping reduce the cost per kilometer.
This electric tractor unit is fitted with a high-power 490HP motor and a 600kWh large-capacity battery, delivering up to 120 km of full-load range. With a twin 13-ton rear axle system and differential lock, it ensures stable performance across complex terrain, making it ideal for port logistics, industrial zones, and in-facility transportation.
-
Motor power 490 HP

-
Battery capacity 350 / 466 / 528 kWh

-
Range 190 / 255 / 290 km (full load)

-
Fast charging Approx. 30 minutes with dual charging guns

| Model | |
| Driving Type | 6×4 |
| Cab | Cab Exterior Highway double layer bumper Three-step ladder Rear view mirror (manual adjustment) Exterior sun visor Cab Interior Air-sprung suspension driver's seat Air-conditioner Electric window regulator Adjustable steering wheel 24V power supply Radio (with MP3 player) Digital instruments |
| Transmission | Gears: 2 speed forward Transfer Box: not available Power take-off (P.T.O.): optional |
| Steering System | 8098 Recirculating ball steering gear, hydraulic booster |
| Power | 528kWh |
| Endurance Mileage | 290km (full load) |
| Charging Time | Double gun 30min. |
| Front Axle | 6500kg, non-drive steering |
| Middle & Rear Axle | 11500kg+11500kg, electric drive axle 260kW+260kW |
| Suspension | Front 1 pc hard parabolic spring / Rear 4pcs air-sprung |
| Brakes | Service: dual circuit air brakes Emergency/Parking: spring potential brake Auxiliary: ABS |
| Performance Data | Gradeability@GVM: 21% Max. Geared Road Speed: 80km/h |
| Tyre | Size and Ply Rating: 12R22.5/295/80R22.5 Steel Rim |
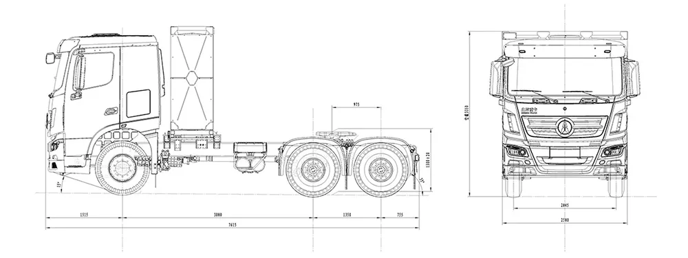
| Dimensions | Wheel Base (WB): 4230+1350mm Overall Length (OL): 7900mm Overall Width (OW): 2550mm Overall Height (OH): 3700mm Front Overhang (FOH): 1515mm Rear Overhang (ROH): 755mm Front fitting radius of semi-trailer: 2500mm Rear fitting radius of semi-trailer: 2300mm |
| Total Vehicle Weight | 11300 |
*The above data is subject to the actual product.
Complete cab system developed using Daimler-Benz technology
- Developed using the complete cab technology introduced from Daimler-Benz.
- The NG80 cab features a semi-floating suspension system with high structural rigidity and energy absorption, providing enhanced driver protection.
- Manufactured with high-strength steel panels through integrated stamping, combined with a multi-cavity structural design for increased rigidity.
- Successfully passes pendulum impact testing and complies with EU crash safety certification standards. Ideal for engineering applications and mixed operating conditions
V3 cab engineered in collaboration with EDAG Germany and benchmarked to Daimler-Benz standards
- Developed in collaboration with EDAG Germany and benchmarked against Daimler-Benz standards, the V3 cab is a wide-body design created through a forward engineering process.
- The V3 cab features a four-point floating suspension system, offering high structural strength and energy absorption while enhancing overall driving comfort.
- Built with high-quality steel panels through full-body integrated stamping, along with a multi-cavity structure that increases cab rigidity.
- Successfully passes pendulum impact tests and complies with EU crash safety certification standards. Optimized for long-distance highway transport applications.
Daimler-Benz frame technology with proven load-bearing performance
Developed using Daimler-Benz technology, the frame features a variable-section, fish-belly-shaped composite beam design. The inner and outer frame rails are formed through a single-pass stamping process, delivering outstanding load-bearing performance. The result is a frame system renowned for its exceptional durability and structural strength, widely trusted in demanding heavy-load applications.
Dual reduction drive axle technology licensed from Daimler-Benz
- Beiben was the first in China to adopt Daimler-Benz’s dual reduction drive axle technology.
- The axle housing is made from ductile cast iron and manufactured as a single integrated casting for enhanced strength and durability.
- According to tests conducted by nationally accredited institutions, the axle housing can withstand 2.5 times the rated load for over 1.17 million fatigue cycles without cracking.
Integrated balance suspension system based on Daimler-Benz design
- Equipped with an integrated balance suspension system developed using Daimler-Benz technology.
- The suspension adopts a combination of leaf springs, balance suspension, thrust rods, and stabilizer bars to ensure stability under load.
- Delivers high load-bearing capacity and excellent long-term reliability.
Equipped with FAST brand gearbox
All vehicle models are equipped with FAST brand gearbox, delivering proven performance across a wide range of applications.
- Features a dual-countershaft design that enables power splitting and compact axial dimensions while maintaining high torque output.
- Reinforced key gear positions ensure reliable operation under complex and demanding working conditions.
- Offers a wide range of gear ratios for optimized powertrain matching based on application needs.
- Achieves a B10 service life of up to 1.2 million kilometers, placing it among the most reliable transmission systems in the global heavy-duty truck industry.
- Cab options: NG80 series cabs (two variants) and V3 series cabs (three variants)
- Tire specifications: Available tire size options include 315/80R22.5, 14.00R20, 12R22.5, 12.00R24
Port Container Transport

